产品介绍
咨询服务热线:15866668888
产品概述
资料下载
相关产品


为何选择GRI8-06系列电流继电器? |
GRI8-06系列电流继电器凭借其高适应性设计和便捷的安装特性,成为工业电气保 护领域的优选方案。该产品通过集成穿心式结构、宽电压兼容性和多模式监控功能,显 著降低安装复杂度与系统改造成本,满足复杂工况下的电流监测需求。 |
GRI8-06系列电流继电器产品优势: |
1、安装便捷性:无需切断主回路,大幅节省施工时间 |
2、配置灵活性:交直流通用检测,支持外接互感器扩展量程 |
3、空间利用率高:超薄机身优化控制柜空间布局 |
4、系统兼容性强:宽电压电源适应各类工业环境 |
GRI8-06系列电流继电器产品特点: |
1、创穿心式结构 - 直接穿线安装设计,彻底免除传统电流继电器需断开主回路的操作步骤,提升 安装效率并降低系统停机风险。 |
2、智能模式切换功能 - 通过面板旋钮快速设定过流/欠流监控模式,无需专业工具即可完成参数配置,简 化运维流程。 |
3、交直流全域检测能力 - 提供交直流兼容规格选项,实现对不同电力系统的无缝适配,增强设备通用性。 |
4、可扩展监测范围 - 内置隔离电流互感器同时支持外接互感器,监控电流范围可扩展至数千安培等级, 满足大电流场景需求。 |
5、宽幅电源适应性 - AC/DC 24~240V宽电压输入设计,有效应对工业现场电压波动问题。 |
6、双通道继电器输出 - 配备两组独立继电器触点(1CO+1NO),可同步触发报警与控制指令,提升系统 联动效率。 |
7、可视化状态指示 - 高亮LED指示灯实时显示继电器工作状态及故障类型,实现快速故障定位。 |
8、紧凑型设计 - 18mm超窄机身配合35mm标准卡轨安装,为高密度电气柜提供高效空间解决方 案。 |
GRI8-06系列电流继电器产品应用: |
1、工业设备电流保护 - 对电机、变压器、变频器等关键设备实现过载/欠载实时监控,防止因电流异常导 致的设备损毁事故。 |
2、电力系统安全监测 - 应用于配电柜、UPS电源等系统,监测馈线电流状态,保障供电连续性及负载安 全。 |
3、自动化产线监护 - 集成至PLC控制系统,对生产线传输设备、机械臂等执行机构进行电流阈值管理, 避免堵转或空转风险。 |
4、能源管理场景 - 在光伏逆变器、充电桩等新能源设备中监控电流波动,优化能源利用效率并触发保 护机制。 |
5、基础设施运维 - 适用于水泵房、风机房等公共设施,检测设备异常停机状态,及时启动备用系统。 |

GRI8-06系列电流继电器型号说明: |
|
代号 | 功能描述 |
A | 交流检测型 |
B | 交直流检测型 |
GRI8-06系列电流继电器型号说明: |
型号 | GRI8-06A | GRI8-06B |
功能 | 交流检测 | 交直流检测 |
电源端子 | A1-A2 | |
额定电源电压 | AC/DC 24V-240V | |
额定电源频率 | 50/60Hz,0 | |
消耗功率 | max 1.5VA | |
电源允许波动范围 | -15%;+10% | |
电流设置范围 | 2A-20A | |
测量电流频率 | AC 50Hz | AC 50Hz,DC |
电流设定方式 | 旋钮设定 | |
动作延时时间 | 0.1s~10s | |
电源指示灯 | 绿色LED | |
设定精度 | 10% | |
电流测量精度 | 5% | |
温度波动误差 | <0.1%1℃ | |
滞后值 | 5% | |
输出 | 2×SPDT | |
小切换功率 | 500mW | |
输出继电器指示 | 红色LED | |
机械寿命 | 1×10⁷ | |
电寿命(阻性负载) | 1×10⁵ | |
工作环境温度 | -20℃~+55℃ | |
存储和运输环境温度 | -35℃~+75℃ | |
安装方式 | 35mm卡轨安装 | |
防护等级 | IP20 | |
安装位置 | 任意 | |
安装海拔高度 | ≤2000米 | |
污染等级 | 2 | |
接线能力 | 1×2.5mm²或2×1.5mm²0.4N ·m | |
外形尺寸 | 90mm×36mm×64mm | |
重量 | 103g | 100g |
符合标准 | GB/T14048.5,IEC60947-5-1 | |

GRI8-06系列电流继电器产品面板: |
GRI8-06A,交流监测 |
|
GRI8-06B,交直流监测 |
|
GRI8-06系列电流继电器产品尺寸: |
GRI8-06A |
|
GRI8-06B |
|

GRI8-06系列电流继电器产品功能: |
|
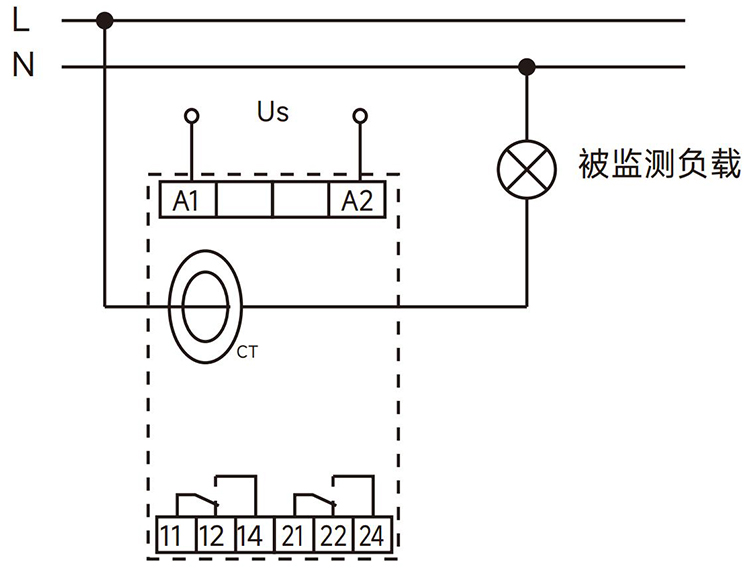
GRI8-06系列电流继电器产品接线: |
|
被监测电流≤20A |
|
被监测电流>20A,通过CT变换为二次电流 |
|
注:GRI8-06B检测直流时注意穿心方向,否则无法准确检测,如电流小于2A,可以采 用多次穿心的方式。 |
上一个:GRI8-05系列电流继电器
优惠券
我们的微信
15866668888
18588886666